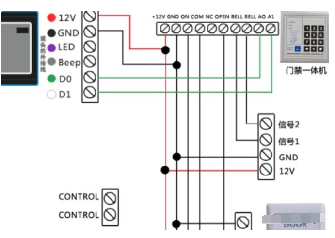
门禁接线方法

门禁的出门开关,接到电源的PUSH 和 GND即可(读卡器也应该会接到电源的这两根线上的),不分正负。其实,出门按一下开关,也就是让这两根线短接一下而已。
指“门”的禁止权限,是对“门\"的戒备防范。这里的“门”,广义来说,包括能够通行的各种通道,包括人通行的门,车辆通行的门等。因此,门禁就包括了车辆门禁。在车场管理应用中,车辆门禁是车辆管理的一种重要手段。
北魏 郦道元《水经注·谷水》:“ 曹子建尝行御街,犯门禁,以此见薄。” 宋 吴自牧《梦粱录·大内》:“门禁严甚,守把钤束,人无敢辄入仰视。” 明 叶盛《水东日记·记杀马顺等事》:“殊不知因大驾出后,门禁颇严。”

已解决




