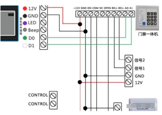
海康门禁控制器接线图
下面,以最常见的四门控制主机K2604为例子,为大家简单介绍一下门禁主机端子。
四门禁控制主机电气组外部接线端子定义

• 一般门禁主机都将设备接在电气组外部接线端子上。
• 电气组外部接线端子的锁+锁-带12V电,主机主板端子D+D-不带电,只提供开关量,注意区分。
四门禁控制主机连接端子及端子说明
• 事件报警输入硬件接口为常开型,正常情况处于断开状态,故只支持接入常开信号。
• RS485 读卡器 ID请设定成1到8,门一ID为 1(进)、2(出),门二ID为3(进)、4(出),门三ID 为5(进)、6(出),门四为ID为7(进)、8(出)。

已解决




