做监控工程的我们经常需要安装室内和室外摄像机,尤其是城市道路监控,涉及到立杆,施工过程比一般的监控要麻烦,在我们弱电VIP群中有不少项目经理讨论到相关的项目。
本期我们一起来总结下室内与室外监控如何安装。
参考的规范:
《GB 35114-2017 公共安全视频监控联网信息安全技术要求》
《GB50348-2018安全防范工程技术标准》
一、室内摄像机安装
室内摄像机安装高度为2.5—5米,摄像机安装可根据摄像机重量选用膨胀螺s栓或塑料膨胀管和螺钉。
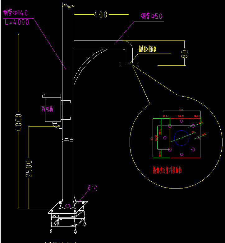
室外摄像机安装方式



室内监控安装一般比较简单,这里就不多说了。
项目示例:电梯监控系统图

二、室外摄像机安装
一、室外监控安装图
室外球机安装:




二、室外监控安装要求
一、基础安装
1、没有特殊情况所有监控立杆预埋件混凝土为C25砼,所配钢筋符合国标及受风要求。其中水泥为425号普通硅酸盐水泥。混凝土的配比和最小水泥用量应符合GBJ204-83的规定;预埋件地脚螺栓法兰盘以上的螺纹包扎良好以防损坏螺纹。根据预埋件安装图正确放置监控立杆预埋件,保证支臂杆的伸出。
2、监控立杆基础的混凝土浇注面平整度小于5mm/m尽量保持立杆预埋件水平。预埋件法兰盘低出周围地面20~30 mm ,再用C25细石砼把加强肋盖住,以防止积水。
二、需要注意避雷:
1、前端设备如摄像头应置于接闪器(避雷针或其它接闪导体)有效保护范围之内。当摄像机独立架设时,避雷针最好距摄像机 3-4 米的距离。如有困难避雷针也可以架设在摄像机的支撑杆上,引下线可直接利用金属杆本身或选用Φ8 的镀锌圆钢。为防止电磁感应,沿杆引上摄像机的电源线和信号线应穿金属管屏蔽。
2、为防止雷电波沿线路侵入前端设备,应在设备前的每条线路上加装合适的避雷器,如电源线(AC220V 或 DC12V)、网线、控制线、开关线。
3、摄像机的电源一般使用AC220V 或 DC12V。摄像机由直流变压器供电的,单相电源避雷器应串联或并联在直流变压器前端,如直流电源传输距离大于 15 米,则摄像机端还应串接低压直流避雷器。
4、 室外的前端设备应有良好的接地,接地电阻小于4Ω,高土壤电阻率地区可放宽至<10Ω。
三、不锈钢防水箱
1、箱体分落地式箱和杆挂式箱。落地式箱体位置不得妨碍原有其他公共设施,不得阻碍道路。落地式配电箱的底部基座要抬高,室外应高出地面 200mm以上,表面用水泥抹平。布线完成后,底座周围以及管道口应采取封闭措施,并应能防鼠、蛇类等小动物进入箱内。
2、箱内配线要排列整齐,并绑扎成束,在活动部位应固定。线缆应留有适当余量,以便于检修。箱内设备安装要利于散热,摆放整齐美观,同时便于操作。如下图:光纤、信号线及电源线等拉至箱内,标识清晰,线缆不得暴露在外,并需检测光纤损耗,及做电源检查。箱体须妥善接地。

落地式箱体内部

3、箱体安装高度应距地面3 米以上,用宽度 20MM不锈钢抱箍抱在杆件上,杆件上的箱体安装效果必须保持跟杆件平行,箱体要固定在杆件的托盘上,用不锈钢螺丝固定好。托盘出厂时盘面的处理会存在一定的偏差,所以要求在箱内和杆件之间加一个螺丝固定,安装的效果图如下图所示:

杆挂式箱体
四、室外监控安装细节
1、杆旁、控制箱旁、电缆拐弯处、电缆管直线长度超过50米时或两端电缆管不在同一平面相距100 mm以上时,必须设置手孔井。
2、手孔井的内围尺寸要求为500(长)×500(宽)×600(深)MM,用砾石铺层作为渗水用;手孔井四壁必须抹水泥沙浆。
3、控制箱由设备厂家根据所需容量配备,外壳采用优质冷轧钢板壁厚不小于1.2mm外表喷室外塑粉并做好防水防盗及散热。
4、结构用钢不得影响材料和机械性能的裂纹、分层、重皮、夹渣等缺陷麻点或划痕的深度不得大于钢材厚度负公差的1/2,且不应大于0.5mm。







