前面我们普提到了关于一份完整的公园监控报价清单,不少朋友就问到了关于公共广播系统如何报价,公共广播系统与监控系统一样,基本上90%以上的项目都有,也是弱电项目必不可少的系统之一,那么公共广播系统如何配置呢?
公共广播系统要比监控系统简单一些,它也是由三部分组成,一般在园区、办办公楼、商业综合体或小组项目居多,是由前端、管理中心、线材等三部分组成。
报价案例 一:我们来看下它的配置清单:(里面包括了主材+安装费用)

前端:主要是一些扬声器与音响。
管理中心:功能与控制设备。
线材:主要是音响线缆等。
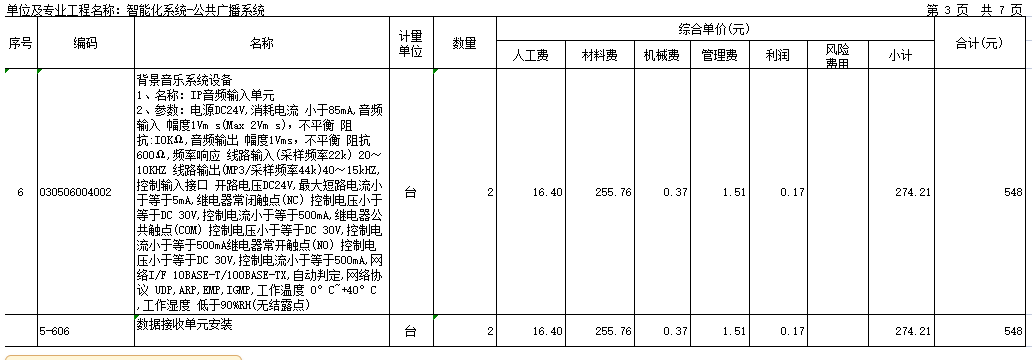
报价案例二:广联达的详细报价案例







通常弱电人比较关注公共广播系统的施工报价,也就是各项的施工费,上面已经列出了,施工费方便项目经理在报施工时参考,各地的施工费用都有一定的区别,所以在实际报施工时,需要根据当地的人工进行调整。







