微信公众号
弱电行业网
扫码关注公众号
频道地图
增值服务
服务介绍 服务对比 建站服务 精美商铺
排名推广 积分商城意见反馈联系我们
发产品
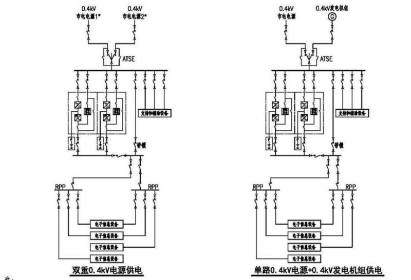
ups的是如何供电的?几种供电方式?我们来看下下面的图纸,供电系统框图,与单巴哈马ups供电图。
入驻
企业入驻成功 可尊享多重特权
入驻热线:158-7146-9462
请手机扫码访问
小程序
小程序更便捷的查找产品
为您提供专业帮买咨询服务
请用微信扫码
公众号
微信公众号,收获商机
微信扫码关注
顶部