弱电智能化工程运维服务方案,附常见表格
IDC机房基础设施管理主要是对各类基础设施设备的巡检、监控、维护、操作,本体系制定了上述内容的具体方法及相关要求。本体系指定的目标是保障机房基础设施、设备正常、安全、可持续运行,规范日常运行管理工作,对保障机房正常使用环境的设备运行进行有效监控。本体系适用于基础设施各相关岗位。
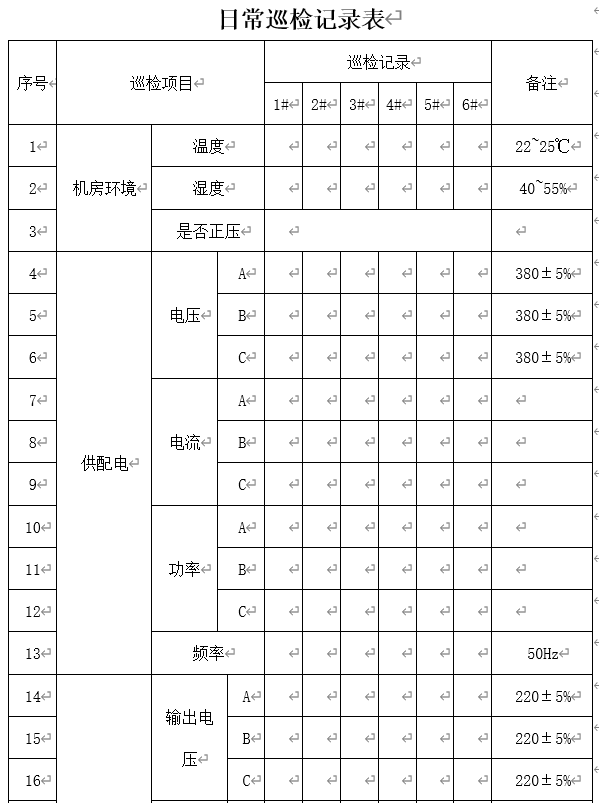
日常巡检工作内容应由机房值班人员负责,巡检结束后填写《日常巡检记录表》。
维护保养工作应由专业分包服务人员实施,维护保养结束后及时填写维护保养记录,并应由机房运维岗位负责人签字确认。
原则上UPS及精密空调的维护应由设备厂商专职工程师实施。
供配电系统是指通过电源由多种配电设备(或元件)和配电设施所组成直接向终端用户分配电能的一个电力网络系统。是对低压配电柜、UPS系统等的统称。
供配电系统日常巡检内容包括:
(1)配电室环境温度、洁净度,注意有无异味、异常声响等;
(2)查看各个开关的仪表显示应正常;
(3)查看各开关状态确认无误;
(4)检查各开关有无异常声响、变形;
(5)用点温仪测量开关温度并记录;
(6)检查变压器温度、声音、电压、电流、风机启动有无异常;
(7)日常巡检工作由值班人员进行,巡检状况因记录在《日常巡检记录表中》;
每日一次。
a)清洁设备表面和场所的卫生;
b)对日常维护记录中反映出来的主要数据的变化规律进行分析,发现异常要进行调整或检修;
c)检查转动和震动部件,紧固其不应松动的紧固件(不包括电气接点,电气接点的维护、紧固应有计划的停电进行);
d)由分包服务责任人按规定填写《供配电系统维护记录表》。
供配电系统季维护属于部分检修性维护,应根据具体情况对相关设备停电后进行。
a)完成设备的月维护工作。
b)针对日巡视及月巡视相关记录对负荷量较大及负荷变化较大的线路及开关接线处进行检查,对松动部件进行紧固。紧固工作应停电进行,停电前注意确认,以防误操作。
c)对配电柜进行全面除尘,除尘应使用专用工具,并且工作人员不可踩踏配电箱柜。
d) 分包服务负责人按规定填写《供配电系统维护记录表》。
年维护属于预防性维护,应停电进行。
a)完成设备的季度维护工作。
b)清扫变配电设备内外卫生。
c)检查电器元件的操作机构是否灵活,不应有卡涩或操作力过大现象。
d)检查主要电器的主辅触头的通断是否可靠。
e)检查各母线的连接、绝缘支撑件、安装件、其它附件安装是否牢固可靠。
(1)巡检时必须严格遵守各项安全运行工作制度。
(2)巡检时应禁止带手表、手链等金属物件。
(3)巡检时应携带对讲设备以保持通讯畅通。
(4)巡检应二人进行,巡检完成后应向机房运维岗位负责人汇报巡检情况。
(5)巡检时必须严格执门禁管理方面的规定,只在授权区域内进行巡检。
(6)在巡检中发现设施或设备工作异常时,应立即向机房运维岗位负责人汇报并按照机房运维岗位负责人的安排进行处理,协助机房运维岗位负责人或相关人员填写相关报告。
四、 UPS系统
UPS(Uninterruptib1e Power Supply)意为“不间断供电电源’’,是一种含有储能装置(常见的是蓄电池),以逆变器为主要组成部分的恒压恒频的交流供电设备。
4.1 UPS的日常巡检
(1)检查卫生环境、温湿度状况;
(2)检查UPS运行状态,记录各种运行数据,包括电压、电流、频率、功率、带载率等;
(3)观察UPS风扇有无异响,运行是否正常;
(4)观察UPS主机内部有无异响、震动;
(5)观察UPS输入、输出柜各进出线开关状态(检查项同普通开关柜);
(6)观察电池外观有无明显鼓胀、渗液或开裂;
(7)日常巡检工作由值班人员进行,巡检状况因记录在《日常巡检记录表中》;
每日一次。
4.3 UPS设备维护保养
a)除进行日常检查之外,还应检查UPS通风风扇是否完好,风扇电机无卡死、抱轴情况,风扇扇叶完好无损。
b)风扇滤网干净,无灰尘堆积,发现不合格及时更换。
c)记录UPS电压、电流、负载率相关参数。
d)检查UPS报警情况,将UPS报警记录统计分析,判断UPS本身是否存在问题。
e)测量并记录电池组内阻、静态电压。
f)分包服务负责人填写《UPS系统维护记录》。
a)除进行月维护的项目外,还应对UPS的电池进行放电。
b)电池组应放电至额定容量的60~70%,并记录放电后再次充满时的后备时间。
c)不可同时对相同负荷的两路UPS进行放电,且放电测试间隔应大于48小时。
d) 分包服务负责人填写《UPS系统维护记录》。
a)除进行季度检查的项目外,还应对UPS设备进行整体除尘。
b)除尘应使用真空式吹风机,不能使用湿抹布。
c) 分包服务负责人填写《UPS系统维护记录》。
a)除进行UPS半年检的项目之外,还应对整体UPS设备进行紧固操作。
b)联系UPS厂家对UPS的内部参数进行校对,对内部器件进行检查测试。
c)年检操作必须关机进行,关机后应对UPS内部进行放电操作。
d)由于旁路仍有部分带电,应对带电部分作出明显标记,以警示维护人员。
e)分包服务负责人填写《UPS系统维护记录》。
机房精密空调是针对现代电子设备机房设计的专用空调,它的工作精度和可靠性较高。
(1)记录设备机房内的回风温、湿度;
(2)查看空调机有无异响;
(3)制冷剂充注量是否合适(可以通过观察视液镜中的液体,无气泡或有少许气泡为充注量合适);
(4)日常巡检工作由值班人员进行,巡检状况因记录在《日常巡检记录表》。
5.2 日常巡检频次
每日一次。
季度维护必须在停机状态下进行。
a)进行日常维护的所有维护项目。
b)清洗加湿器。
c)擦拭机组外壳。(不要用强腐蚀物或强化学物质,可用干净的纱布沾上中性洗涤剂擦拭)
d)检查室外风机有无抱死,破损,运转情况是否正常,并清除积灰 (夏季每月1次,每周检查)。
e)更换空气过滤网 (空气过滤网不要等到报警后再更换,应根据机房中空气质量状况定期进行更换)。
f)对制冷管路上各接口进行检查,观察是否有油迹,螺纹接口如果有油迹可用板手进行紧固。
g)检查压缩机高低压参数,根据检查情况补充或释放制冷剂。
h)当有备用电源时,在使用前要检查电源相序是否与市电一致。
i)由设备厂商专业工程师进行空调全面健康检查,并提交检查报告。
j)分包服务责任人按规定填写《精密空调维护记录表》。
5.3.2 半年维护(春秋季换季维护)。
a)进行季度维护的所有维护项目。
b)对所有的电器接线端子进行检查,不应有松动。
c)检查高压控制器、高压压力开关的动作是否良好。
d)对空调机运行参数进行换季调整。
e)由分包服务责任人按规定填写《精密空调维护记录表》。
所谓新风就是指新鲜空气,而新风系统就是在不开窗的前提下,通过物理原理,引入室外新鲜空气,排出室内的浑浊空气,使室外和室内的空气进行充分交换,确保室内有充足新鲜空气的一种循环系统。新风系统在计算机房的主要作用是保证机房内正压,即机房内的大气压力略高于机房外。
机房新风机日常巡视内容包括:
(1)记录新风机开关机时间;
(2)观察新风机运行情况是否正常,有无异响;
(3)记录新风机送风温湿度。
(4)日常巡检工作由值班人员进行,巡检状况应记录在《日常巡检记录表》;
每周一次。
新风机组的维护保养类同于精密空调保养。
应急发电系统是指在市政供电系统出现故障,无法保证设备正常工作的情况下,有末端用电单位通过发电机发电而保证设备用电的系统。通常由柴油发电机、并机配电柜、供油设备和油库等部分组成。
日常巡检内容包括:
(1)检查整机外观有无异常;
(2)检查冷却液位和预热装置工作状态;
(3)检查燃油位,日用油箱油面高度应在满位;补油装置是否正常;输油管路有无渗漏;检查各环节闸阀状态,应无关闭现象;
(4)检查空气滤清器阻塞情况,空气滤清器的进气阻力指示器如显出红色则需要更换空气滤清器;
(5)检查发电机机体有无冷却液、润滑油、燃油泄漏;
(6)检查电池极柱氧化腐蚀情况,电池连线接头有无松动;机组电瓶闸刀左右两边应保持在直通位置;
(7)日常巡检工作由(大楼配电室)值班人员进行,巡检状况记录在《日常巡检记录表》;
不工作状态下:每日一次。
工作时:7*2 4小时值守。
每次启动前的保养
a)清洁机组表面。
b)检查水箱冷却液面;液面应尽可能接近填口盖焊接面下5cm处,不要超出。
c)检查水箱散热器芯和中间冷却器的外部,不允许有异物挡住。
d)检查空气滤清器堵塞情况;如果堵塞指示器处于红区,机组停机后,应马上更换滤清器。更换下的空气滤清器不允许重复使用。
e)检查柴油机润滑油油面,确保润滑油液面在油尺刻度之最大值和最小值之间。
f)检查控制系统的电气连线是否有松动。
每次运行结束后的保养
a)着重检查并拧紧各旋转部件螺栓,特别是喷油泵、水泵、皮带轮、风扇等连接螺栓,同时紧固地脚螺栓。
b)检查是否有三漏(油、水、气)现象,必要时清理。
c)排除在运转中所发现的简易故障及不正常现象。
d)清理空气滤清器滤芯上的尘土。
e)检查润滑油液面和喷油泵的油面,必要时添加品质可满足技术要求的润滑油。
f)检查水箱冷却水液面,必要时添加软纯净水。
g)检查控制系统的电气连线是否有松动。
h)清洁机组表面。
i)排放燃油箱的残水。
j)排放燃油滤清器的残水。 ‘
k)检查油底壳是否混入水分和燃油。
l)由工作责任人按规定填写《柴油发电机组维护记录》。
7.3.2 季度保养
a)进行月保养的所有保养项目。
b)检查是否需更换润滑油。
c)检查是否需更换润滑油滤清器。
d)检查调整风机及充电发电机皮带张紧力。 ‘
e)清扫散热器芯。
f)清扫或更换空气滤清器滤芯。
g)由工作责任人按规定填写《柴油发电机组维护记录》。
a)进行季度保养的所有保养项目。
b)空气进气管路检查,有无异常。
c)检查机体有无泄漏情况。
d)更换润滑油。
e)更换润滑油滤清器。
f)进行并网带载试验。
g)由工作责任人按规定填写《柴油发电机组维护记录》。
a)进行半年保养的所有保养项目。
b)检查并更换燃油滤清器。
c)检查进出油管有否泄漏。
d)检查并拧紧发动机的各部分螺栓、螺帽。
e)检查空气软管及其接口处是否漏气。
f)更换油水分离器滤芯。
g)排气系统检查,检查溢流孔。
h)冷却水位和水质检查。
i)检查水箱散热器芯,有无堵塞。
j)由工作责任人按规定填写《柴油发电机组维护记录》。
a)进行年保养的所有保养项目。
b)清洁冷却系统、更换冷却液。
c)检查喷油嘴,必要时更换。
d)检查涡轮增压器综合状态。
e)检查交流发电机。
f)检查启动器。
g)检查旋转二极管状态。
h)检查控制屏仪表、电气连线。
i)检查发动机及其底脚螺栓紧固状况。
j)由工作责任人按规定填写《柴油发电机组维护记录》。
安防系统是以维护公共安全,保护生命和财产安全为目的,运用安全防范集成设备群所构成的包括入侵报警系统,视频监控系统,出入口控制系统,安全检查等系统。
(1)红外报警入侵系统要通过人为触发报警,查看报警主机及视频采集。
(2)双鉴探测器要通过人为触发报警,查看报警主机。
(3)视频监控系统,可在中控室检查全部视频图像,数字硬盘录像机视频录制情况,查看是否有黑屏,无图像,监控位置不准确,数据丢包,功能不全等问题。查看监控中是否有异常情况。
(4)门禁系统要查看是否有报警,未锁闭等非正常情况。
每周一次。
a)视频监控系统的月检,可在中控室检查全部视频图像,数字硬盘录像机视频录制情况,查看是否有黑屏,无图像,监控位置不准确,功能不全等问题。查看监控中是否有异常情况。
b)门禁系统月巡查时,需整体全部查看是否有报警,未锁闭,门禁读卡器,门锁,门控系统报警记录等非正常情况。
c)硬盘录像机,服务器系统每月定期维护一次,查看其电风扇有无故障,是否会影响排热,以免导致硬盘录像机工作不正常。
d)由安保相关责任人按规定填写《监控系统维护记录》。
a)每季度一次对红外入侵、双鉴、传感器等设备的除尘、清理,对摄像机、防护罩等部件要卸下彻底吹风除尘,之后用酒精棉将镜头擦干净,调整清晰度,防止由于机器运转、静电等因素将尘土吸入监控设备机体内,确保机器正常运行。同时检查监控机房通风、散热、净尘、供电等设施。
b)对视频监控.门禁系统的传输线路质量进行检查,处理故障隐患。
c)对易吸尘部份每季度定期清理一次,会有灰尘被吸附在监视器表面,影响画面的清晰度,要定期擦拭监视器,校对监视器的颜色及亮度。
d)由安保相关责任人按规定填写《监控系统维护记录》。
火灾自动报警系统是由触发器件、火灾报警装置、火灾警报装置以及具有其它辅助功能的装置组成的火灾报警系统。一般火灾自动报警系统和自动灭火系统、防排烟系统、通风系统、空调系统、防火门等相关设备联动,自动或手动发出指令、启动相应的装置。
9.1.1 消防灭火系统
(1)气体灭火系统需要进行每日巡查,查看是否有火灾报警、设备故障报警、未处理事件等非正常情况。
(2)消防设施需要进行每日巡查。
9.1.2 安全疏散设施
(1)检查时应保持疏散通道、安全出口畅通,严禁占用疏散通道,严禁在安全出口或疏散通道除摆放杂物。
(2)检查消防安全疏散指示标志和应急照明设施。
(3)应保持防火门、消防安全疏散指示标志、应急照明、机械排烟送风机等设施处于正常状态。
(4)检查推杠锁使用是否正常。
9.1.3 消防器材
(1)烟、温感报警检查,查看是否有报警、设备故障报警、未处理事项等非正常情况。
(2)灭火器,消防箱,防火栓,手动报警器,玻璃破碎检查,应保持设施的完整性,查看是否处于正常工作状态。
每日一次。
日常巡检工作由值班人员进行,巡检状况记录在《日常巡检记录表》。
a)触发自检键,进行功能自检。
b)消防主机需切断主电源,查看备用直流电源自动投入和主、备电源的状态显示情况。
c)每月检查电压、电流表的指示是否正常。
d)每月应查看应急照明外观是否有损坏、电源插头是否插在电源插座上、灯管是否工作正常。
e)每月查看防火门外观、关闭效果,双扇门的关闭顺序。
f)由分包服务责任人按规定填写《消防系统维护记录》。
a)每季度应对所有的火灾探测器采用抽测的方式进行测试。
b)每季度对报警阀应进行开阀试验,观察阀门开启和密封性,以及报警阀各部件的工作状态是否正常。检查系统的压力开关报警功能是否正常。
c)每季度对应急照明进行一次功能性测试,切断正常供电电源。
d)每季度对疏散指示标志进行一次功能性测试。
e)每季度对于疏散通道上设有出入口控制系统的防火门,自动或远端手动输出控制信号,查看出入口控制系统情况及反馈信号。
f)由分包服务责任人按规定填写《消防系统维护记录》。
1)正压送风、防排烟系统每半年检测一次。查看是否有异常情况。
2)每半年进行一次消防演习,查看是否有异常情况。
1)灭火器年检,查看是否有异常情况。
2)在一年内通过定期,分区域性测试将所有火灾探测器测试一遍。并核对火灾探测器的地址是否正确。
十、














