楼宇自控系统由哪些组成?如何设计?这十个系统必不可少,非常全面
有不少朋友反映,对楼宇自控系统比较陌生,但项目中又不断的在接触这个系统,在我们弱电VIP技术群中也不断的有朋友问到相关内容。

楼宇设备自控系统也称BA系统。楼宇设备自控系统主要包括:冷热源系统、空调通风系统、风机盘系统、照明系统、电梯系统、给排水系统等系统的一个集成统称。系统主要通过运行状态监控与故障监测,对建筑物内各类设备进行高效率的管理与控制,在提供最佳舒适环境、现代化管理模式的同时,大大降低能量消耗。
本期我们一起来了解下楼宇自控(Ba系统)这十大系统组成,以及楼宇自控系统的设计步骤,一文彻底了解楼宇自控系统。
一、BA系统设计流程
一、设计阶段
一般设计分为四个阶段:
1、初步设计
2、招标投标图设计
招投标过程中的设计。本阶段的施工招标图一般仅作为管线预留预埋和招标用。
3、深化设计
由在智能化系统工程招标中标的系统集成商,根据施工图设计文件的内容、投标文件和建设单位的具体要求制作。
4、设计审查
二、技术标书
建设单位(甲方)给予楼控专业的技术设计任务书(或称标书),至少应该包括以下内容:
1、工程项目简介(项目名称、工程概况,建设单位、功能布局、地理位置、计划进度和特别说明等)。
2、工艺系统介绍(暖通系统配置、给排水系统配置、供配电及照明系统配置、电梯系统设置及其它系统构成)。
3、基本设计要求(需求定位、功能规格要求、技术应用标准、信息集成化程度、区域检测与控制分布和中控室/弱电间布局)。
4、图纸(暖通、给排水、电气专业设计图纸,以及其它必要的图纸)。
三、图纸查阅
1、弱电图纸(包含BA设计)
根据弱电图纸,可以获得以下信息:BA系统规模,被控设备内容、数量及位置、中控室位置、弱电竖井位置。
参考图纸名称:设计说明、系统图、点表及设备清单、原理图、平面图等。
2、暖通图纸
根据暖通图纸,可以获得以下信息:暖通设计形式、被控设备数量、设备位置、细节信息。
参考图纸名称:设计说明、设备表、水系统图、风及水平面图、大样图等。
设计说明-首先直观了解暖通规模、设计形式。例如:冷热源及末端的形式。
设备表-空调机组、新风机组、送排风机的数量、位置。
水系统图-冷热源水系统原理、各支路管径。
平面图-设备位置。
大样图-机组盘管管径。
3、给排水图纸
根据给排水图纸,可以获得以下信息:给排水系统设计形式、被控设备数量、设备位置、细节信息。
参考图纸名称:设计说明、设备表、给排水系统图、平面图等。
设计说明-首先直观了解给排水系统设计形式。
设备表-给水、中水、排水系统的数量。
给排水系统图-给排水系统原理、设备数量及分布。
平面图-设备位置。
4、强电图纸
根据强电图纸,可以获得以下信息:变配电系统设计形式、被控数量、设备位置及机电设备强电箱位置。
参考图纸名称:设计说明、高低压配电系统图、动力及照明平面图等。
设计说明-可以了解配电规模,变配电系统回路设备数量。
高低压配电系统图-高、低压回路数量、机电设备强电箱名称、公共照明电控箱名称。
动力平面图-机电设备电控箱位置。
照明平面图-照明电控箱位置、回路分布。
四、投标技术文件
楼控分包商或自控厂家根据标书所作的投标技术文件至少应该包括以下内容:
楼控设计方案(设计依据、范围、目标,各个被监控的工艺系统概况及要设置的自控系统说明)
楼控设备材料表:(应列明设备的名称、型号、规格、数量 )可分类罗列:如现场设备类:传感器、变送器、调节阀和执行器;控制系统设备类:DDC控制器、上位计算机、打印机、网关、接口和软件等;其它盘、柜、箱、线等。
BA系统监控点数汇总表(包括监控对象、监控内容和所有监控点的总统计—AI,DI,AO,DO)。
BA监控系统结构图
BA监控系统原理图
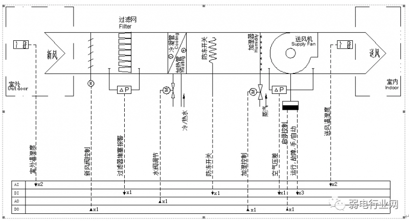
二、空调机组配置设计
控制逻辑:
送回风机按时间表启停,风阀、水阀与风机启停联锁。
回风温度与设定值的偏差进行PID运算,调节盘管水阀的开度。
自动控制加湿器开闭,保持回风湿度于设定值。
监测过滤器状态,过滤器堵塞产生报警。
监测防冻状态,当产生防冻报警时,关闭新风阀、风机,盘管水阀开到最大。
冬夏季运行时,采用最小新回风比,即新风电动阀为最小开度,回风电动阀开度控制风量平衡。
过渡季时,根据焓值判断,当室外空气焓值低于回风焓值时,打开新风阀,关闭回风阀,充分利用室外新风。同时,还可在典型区域加设CO2传感器,以感受人流变化情况,若空气质量有所下降,可以适当开大空调机组的新风门。
根据原理图,可以汇总点表为:

三、新风机组配置设计
控制逻辑:
送风机按时间表启停,新风阀与送风机启停联锁。
送风温度与送风温度设定值的偏差进行PID运算,调节盘管水阀的开度。
自动控制加湿器开闭,保持回风湿度于设定值。
监测过滤器状态,过滤器堵塞产生报警。
监测防冻状态,当产生防冻报警时,关闭新风阀、送风机,盘管水阀开到最大。

根据原理图,可以汇总点表为:

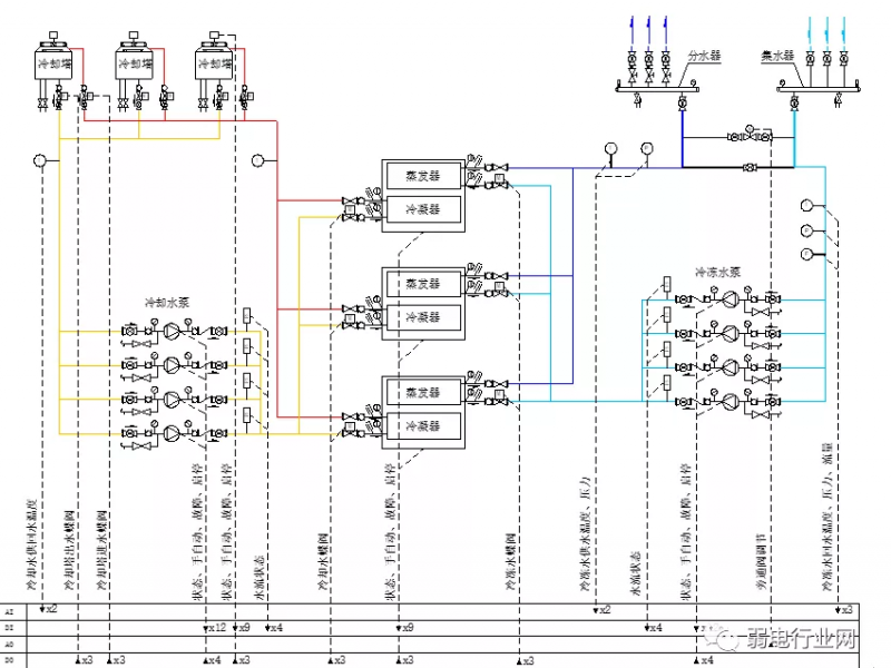
四、冷源系统
控制逻辑:
冷水机组启停控制
根据冷冻水供回水温差和水流量来计算实际负荷,以此决定是否需要增加投入制冷机。
冷水机组的轮换
根据运行时间决定机组的轮换。即每次需要启动冷水机组时,选择运行时间相对最短的,而每次需要停止一台冷水机组时,选择运行时间相对最长的。
启停顺序
同时启停其它冷源系统设备。启停顺序:
启动:电动蝶阀→冷冻水泵→冷却水泵→冷却塔→冷水机组
停止:冷水机组→冷却塔→冷冻水泵→冷却水泵→电动蝶阀
旁通阀控制
根据空调水系统最不利点供回水压差均值调节压差旁通阀,以保证水系统供回水管的压力平衡。
冷却塔风机启停控制
根据冷却水供回水温度控制冷却塔风机的运行台数。
当冷水机组自带独立的微机控制系统时,楼控BA系统还可通过第三方设备的通信接口进行监控。

根据原理图,可以汇总点表为:


五、热源系统
控制逻辑:
热源来源一般为城市热力管网、锅炉、热水机组等。
作为一次热源的热水或蒸汽,一般是通过换热器,进行热量交换后,得到二次热水再供给中央空调系统(空调机组、新风机组、风机盘管等),通常是60℃的热水。或者是生活热水系统。
DDC监测换热器二次侧水温度,来调节一次侧(水蒸汽、热水)阀的开度,并根据换热器二次侧回水温度,来确定热水循环泵的启停。

根据原理图,可以汇总点表为:

六、送排风系统
控制逻辑:
监测风机的运行状态、故障报警和手自动状态。
监测空气质量,当该区域的空气质量超过设定值时,系统自动运行相应的送风机和排风机,以使空气质量达到合理的要求。
定时自动控制风机的启停可避免由于人员操作不及时产生的能源浪费;各风机运行状态信号在主机上集中显示可使管理人员在楼层平面图上方便地掌握各风机的工作状况。

根据原理图,可以汇总点表为:
七、给排水系统

控制逻辑:
给水:
生活给水设计最为常见是恒压变频自动供水装置。该装置能实现根据供水压力的监测值,自动调节生活给水泵变频器的频率。如选用该种设计方式,楼控一般仅监测给水泵及水箱液位状态,而不再进行控制。
如果楼控实现监控,点表内容如下:

排水:
排水泵设计最为常见自带就地液位控制装置。该装置能实现根据液位状态控制排水泵的启停。楼控一般仅监测排水泵及集水坑的液位状态,而不再进行控制。
如果楼控实现监控,点表内容如下:

八、变配电系统
控制逻辑:
BA系统对建筑物的高压配电、变压器、低压配电系统、备用发电机组的开关状态和故障报警进行监测,并检测进线回路的电压、电流、有功功率、功率因数和电度数据等。
对供配电系统一般只监不控。
根据原理图,可以汇总点表为:

九、照明系统
控制逻辑:
BA系统对建筑物的公共照明设备,如公共区域照明、通道照明、园区照明、景观照明、广告灯照明和航空障碍灯照明等,按预定的时间表或照度进行开关控制,并监测其运行状态和故障报警。
当照明系统自带独立的微机控制系统时,楼控系统还可通过第三方设备的通信接口进行监控。
根据控制原理,可以汇总点表为:

十、电梯系统
控制逻辑:
建筑物的垂直升降电梯、自动扶梯、或自动步道等一般均由电梯生产厂家成套供应,包括电梯控制器、群控器和楼层显示器等。BA系统只监测其运行情况(工作状态、楼层位置)和故障信息。
电梯系统运行参数的监测,楼控系统还可通过第三方设备的通信接口进行监测。
根据控制原理,可以汇总点表为:

十一、与强电接口

此图为风机强电柜220V二次控制回路图,该图显示了DDC控制器进行风机运行状态、手自动状态、故障报警及实现启停控制的原理。
对于强电控制柜为楼控预留接点的要求如下:
风机、水泵等大型电机设备监控:
监视:
对于设备运行状态、故障报警、手自动转换开关各点,要求强电配电柜提供无源干接点信号。
控制:
设备启动/停止控制:弱电楼控箱提供风机启停控制干接点信号。









